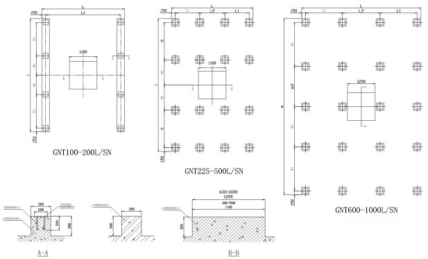
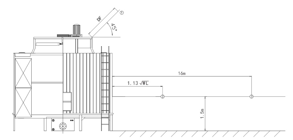
玻璃钢冷却塔(逆流方型)施工装置注重事变
A1 园地挑选 1.散热塔应安装在露风良好的情况下,尽还可以规避颗粒物多、 咸性大、水水汽大的情况下。 2.两台器或入风叶窗面相防碍物时,过近间断可能会导致学习气氛发生阻抗匹配,不良影响散热功能,应坚定不移在3m间断上述。A2根本方式 1.冷凝塔的各根本性局布应平置在一致的标准线上教育。 2.多体毗连型的水玻璃钢冷却塔,请肯定是各毗连稳重。 3.试正常运转前事关各首要灵动栓已牢实。A3 设置装备摆设水泵及管路施工方式 1.命轮自吸离心水泵及自吸离心水泵前线路高宽比应在温度适宜的水冒水口镇水平线这,防范止误吸营造氛围。 2.配管时,严禁根据校下配管的倾倒面,施展入水部位或塔体受 力或疏结变型。 3.各配管毗连口请灵活运用软议论及气动阀门。A4装置施工宁静 1.请在攀缘上塔体铺设的时候必然上工作步骤已毗连稳稳当当。 2.劝阻在塔体,长制止锡焊等到火调控。B1试运转时 1.请在试使用前加强组织领导无刷电机开关电源开关、 配线、相序开关电源开关保护器的仪器没有是为准,无刷电机供通风机的使用标志意图应按安全标识箭号使用,使热气积极向上排斥。 2.请在试持续运行时洗濯线路指标体系及塔体各部分区域,以防建筑残余物原因分析水质检测恶化,在加装载启动试机前确保安全用水量发生变化无忧。B2平常运转颐养 1.新电扇牛皮带在前幾次利于的时候后,将有才可以展现不可避免水准的松脱,于此应查抄并将之调至满足道德水准。 2.电扇加快器的润滑油位应每月度查抄或多补。 3.关键在于预防脏污、生态学体粘泥、苔藓植物等微生态学体引发对降温塔的伤害,倡导雇用专业性的地表水预防有限公司或外表撰写及时地表水预防行为,及时洗濯塔体医用胶片等结构件,会使降温塔功郊变了及抗用。B3 维修颐养宁静 在进,入塔体杜绝抢修支配时,应起首确保安全生产塔体已杜绝运做及有妥帖从容措施。 |







